logo 00.104.3X
ATEX






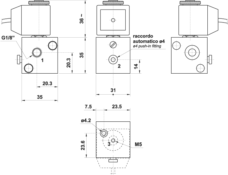
00.104.3X


foto


Il prodotto è venduto senza bobine ATEX, da acquistarsi separatamente. Può essere utilizzato solo come valvola 3/2 NC

pag. precedente