logo 322 ORM



322 ORM
































foto simbolo
      dati tecnici
      pag. precedente
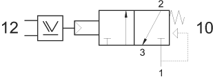
Non puņ essere utilizzata come valvola normalmente aperta.


pdf

 

 

 

AUTOCAD ver 14. DWG

JPG  

ACIS - SAT

STEP