logo 322 ANDM




322 ANDM





































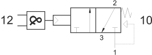
foto simbolo       dati tecnici
      pag. precedente
Non puņ essere utilizzata come valvola normalmente aperta.


pdf

 

 

 

 

AUTOCAD ver 14. DWG

JPG  

ACIS - SAT

STEP