logo 10.017.3
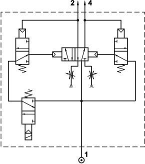
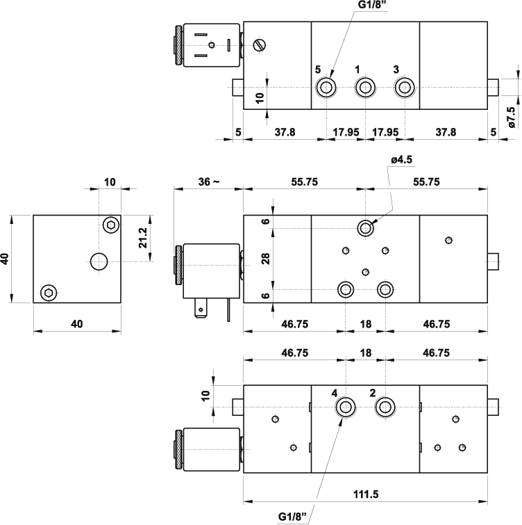
Oscillatore G1/8" con NOT a comando elettrico



osc 1/8 not com. elettrico



foto                         simbolo


Il prodotto è venduto senza bobina, da acquistarsi separatamente.

pag. precedente