logo 10.019.3
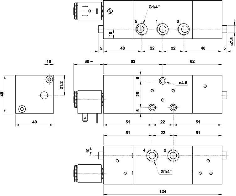
Oscillatore G1/4" con NOT a comando elettrico



osc 1/4 not com. elettrico



foto                         simbolo


Il prodotto è venduto senza bobina, da acquistarsi separatamente.

pag. precedente