logo 10.029.4
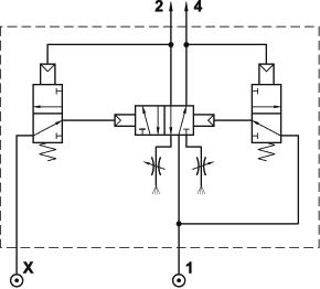
Oscillatore G1/8" con NOT a comando pneumatico



osc 1/8 not com. pneumatico



foto                         simbolo



pag. precedente