logo 321 ME MIC 01    24V DC
321 ME MIC 02    24V 50/60Hz


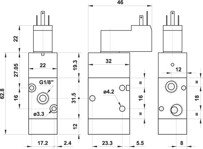
321 ME MIC

321 ME MIC

simbolo

Non puņ essere utilizzata come valvola normalmente aperta.
La valvola č venduta con elettropilota/i montato/i.

dati tecnici
pag. precedente


pdf