logo 322 EE MIC 01    24V DC
322 EE MIC 02    24V 50/60Hz


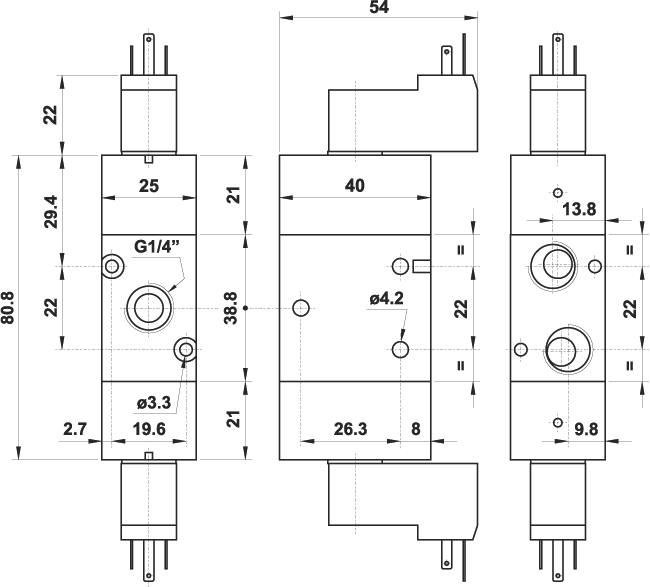
322 EE MIC

322 EE MIC

simbolo

Solo versione in alluminio.
La valvola è venduta con elettropilota/i montato/i.

dati tecnici
pag. precedente


pdf