logo 322 ME MIC 01    24V DC
322 ME MIC 02    24V 50/60Hz


322 ME MIC

322 ME MIC

simbolo

Non puņ essere utilizzata come valvola normalmente aperta.
La valvola č venduta con elettropilota/i montato/i.

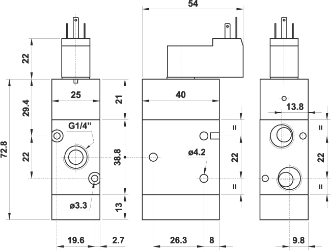
dati tecnici
pag. precedente


pdf