logo 522 EE MIC 01    24V DC
522 EE MIC 02    24V 50/60Hz


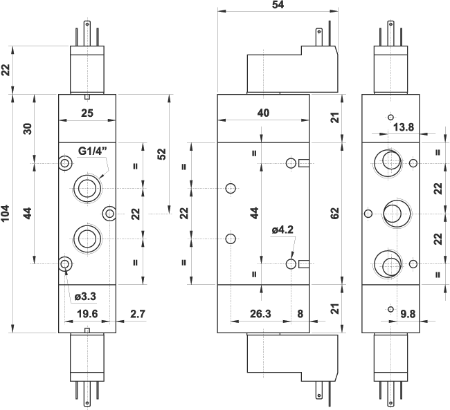
522 EE MIC

522 EE MIC

simbolo

La valvola è venduta con elettropilota/i montato/i.
Solo versione in alluminio

dati tecnici
pag. precedente


pdf