logo 522 ME MIC 01    24V DC
522 ME MIC 02    24V 50/60Hz


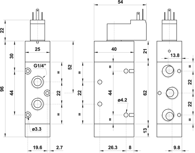
522 ME MIC

522 ME MIC

simbolo

La valvola è venduta con elettropilota/i montato/i.

dati tecnici
pag. precedente


pdf