logo 5223P EE MIC 01    24V DC
5223P EE MIC 02    24V 50/60Hz


5223P EE MIC

5223P EE MIC

simbolo

La valvola è venduta con elettropilota/i montato/i.
Solo versione in alluminio

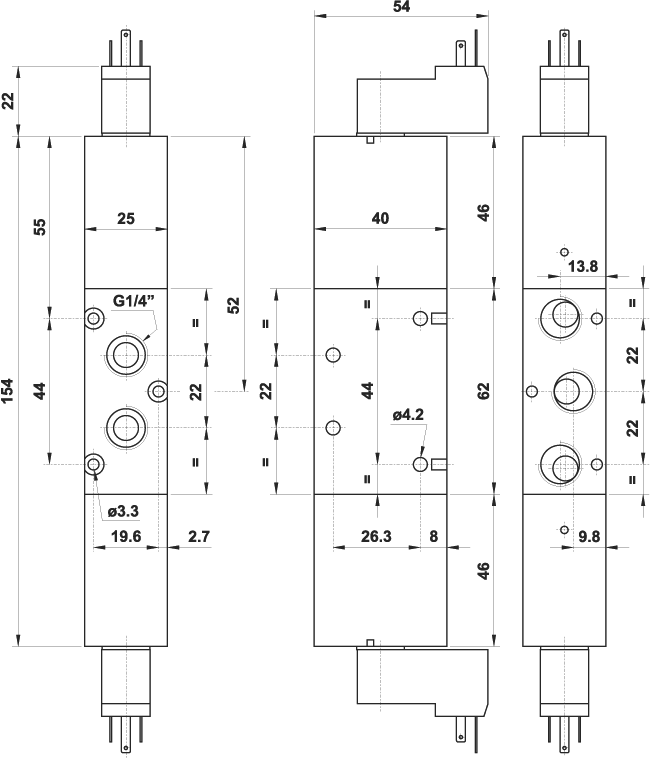
dati tecnici
pag. precedente


pdf