Barre per camicia |
codice di ordinazione
order code |
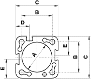
dimensioni - dimensions [mm]
|
peso
weight [kg/m] |
|||||
|
A
|
B
|
C
|
D
|
E
|
|||
![]() |
000.523.7
filetto per fissaggio testate: M5 (maschio a rullare) thread for mounting of end-caps: M5 (tool for rolling) |
ø32 +0.16
|
32.5
|
45
|
14.5
|
20.5
|
2.368
|
![]() |
000.524.7
filetto per fissaggio testate: M5 (maschio a rullare) thread for mounting of end-caps: M5 (tool for rolling) |
ø40 +0.16
|
38
|
53
|
22
|
-
|
2.984
|
|
000.525.7
filetto per fissaggio testate: M6 (maschio a rullare) thread for mounting of end-caps: M6 (tool for rolling) |
ø50 +0.19
|
46.5
|
63
|
24
|
-
|
3.823
|
|
|
000.526.7
filetto per fissaggio testate: M6 (maschio a rullare) thread for mounting of end-caps: M6 (tool for rolling) |
ø63 +0.19
|
56.5
|
76.5
|
29
|
-
|
5.686
|
|
![]() |
000.527.7
filetto per fissaggio testate: M8 (maschio a rullare) thread for mounting of end-caps: M8 (tool for rolling) |
ø80 +0.22
|
72
|
95
|
40
|
18
|
7.544
|
|
000.528.7
filetto per fissaggio testate: M8 (maschio a rullare) thread for mounting of end-caps: M8 (tool for rolling) |
ø100 +0.45
|
89
|
115
|
40
|
28
|
10.919
|
|
|
Cu
£0.10 |
Fe
0.10÷0.30 |
Mn
£0.10 |
Mg
0.35÷0.60 |
Si
0.30÷0.60 |
Zn
£0.15 |
Cr
£0.05 |
Ti
£0.10 |
Al
resto |