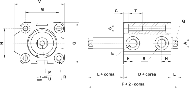
Cilindri corsa breve, stelo passante

| ø | A | B | C | D | E | F | G | H | L | M | N | P | Q | R | S | T | U | V |
| 16 | ø8 | - | 3.5 | 36 | M5 | 47 | 28 | 8 | 5.5 | 20 | 20 | M5 | ch 7 | M4 | ø6 | 10 | 10 | 31 |
| 20 | ø10 | - | 4.5 | 36 | M5 | 47 | 32 | 8.5 | 5.5 | 22 | 22 | M5 | ch 8 | M5 | ø7 | 12 | 10 | 35 |
| 25 | ø10 | ø14 | 4.5 | 38 | G1/8" | 49 | 38 | 9 | 5.5 | 28 | 26 | M5 | ch 8 | M5 | ø7 | 12 | 10 | 44.5 |
| 32 | ø12 | ø14 | 5.5 | 46.2 | G1/8" | 60.2 | 45 | 9 | 7 | 36 | 32 | M8 | ch 10 | M6 | ø9 | 17 | 13.5 | 54 |
| 40 | ø12 | ø14 | 5.5 | 46.2 | G1/8" | 60.2 | 54.5 | 10 | 7 | 40 | 40 | M8 | ch 10 | M6 | ø9 | 17 | 13.5 | 60 |
| 50 | ø16 | ø14 | 6.5 | 50 | G1/8" | 66 | 65 | 11.5 | 8 | 50 | 50 | M10 | ch 13 | M8 | ø11 | 20 | 16 | 72.5 |
| 63 | ø16 | ø14 | 8.5 | 53 | G1/8" | 69 | 80 | 11.5 | 8 | 62 | 62 | M10 | ch 13 | M10 | ø14 | 20 | 16 | 88 |
| 80 | ø20 | ø19 | 8.5 | 56.4 | G1/4" | 76 | 100 | 13.8 | 9.8 | 82 | 82 | M10 | ch 17 | M10 | ø14 | 22.5 | 20 | 110 |
| 100 | ø25 | ø19 | 11 | 67 | G1/4" | 87 | 124 | 17 | 10 | 103 | 103 | M12 | ch 22 | M12 | ø17 | 24 | 24 | 134 |