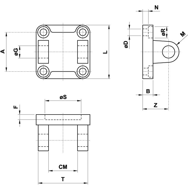
Cerniera femmina MP2 con perno

| sigla standard | sigla con boccola di bronzo | per alesaggio | A | B | CM | D | F | G | L | M | N | R | S | T | Z |
| CFIS032 | CFKS032 | 32 | 32.5 | 9 | 26 | 6.6 | 5 | 10 | 45 | 10 | 5.5 | 11 | 30 | 45 | 22 |
| CFIS040 | CFKS040 | 40 | 38 | 9 | 28 | 6.6 | 5 | 12 | 52 | 12 | 5.5 | 11 | 35 | 52 | 25 |
| CFIS050 | CFKS050 | 50 | 46.5 | 11 | 32 | 9 | 5 | 12 | 65 | 12 | 6.5 | 15 | 40 | 60 | 27 |
| CFIS063 | CFKS063 | 63 | 56.5 | 11 | 40 | 9 | 5 | 16 | 75 | 16 | 6.5 | 15 | 45 | 70 | 32 |
| CFIS080 | CFKS080 | 80 | 72 | 14 | 50 | 11 | 5 | 16 | 95 | 16 | 10 | 18 | 45 | 90 | 36 |
| CFIS100 | CFKS100 | 100 | 89 | 14 | 60 | 11 | 5 | 20 | 115 | 20 | 10 | 18 | 55 | 110 | 41 |
| CFIS125 | CFKS125 | 125 | 110 | 20 | 70 | 14 | 7 | 25 | 140 | 25 | 10 | 20 | 60 | 130 | 50 |
| CFIS160 | CFKS160 | 160 | 140 | 20 | 90 | 18 | 7 | 30 | 180 | 25 | 10 | 26 | 65 | 170 | 55 |
| CFIS200 | CFKS200 | 200 | 175 | 25 | 90 | 18 | 7 | 30 | 220 | 25 | 11 | 26 | 75 | 170 | 60 |