10.003.4
generatore di impulso fisso


Modalità di funzionamento
È un dispositivo atto a produrre un impulso di durata prefissata e non regolabile (molto breve, circa 0.2 s). Limpulso viene emesso quando il generatore viene attivato inviando e mantenendo un segnale di comando, proveniente da una valvola a 3 vie, al punto 1. Il generatore non consente la ripetitività dellimpulso, ossia non è possibile, perdurando il segnale di comando, produrre nuovi impulsi dopo il primo (a questo scopo è necessario inviare un nuovo segnale).
Dati tecnici
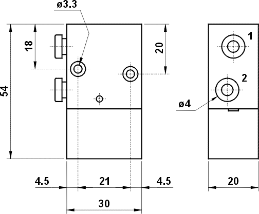
- Attacchi: raccordi automatici per tubo ø4
- Temperatura di esercizio: max +60°C
- Pressione di esercizio: 2 ... 10 bar
- Fluido: Aria filtrata 50µ con o senza lubrificazione
Materiali
- Corpo: alluminio 11S anodizzato
- Guarnizioni: NBR
- Molle: INOX
- Parti interne: ottone OT58
pag. precedente