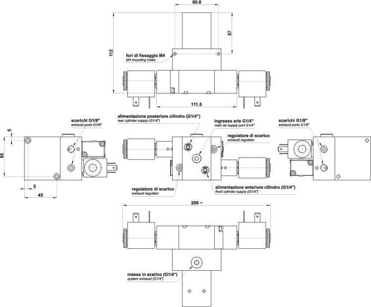
10.020.3
posizionatore pneumatico


Modalità di funzionamento
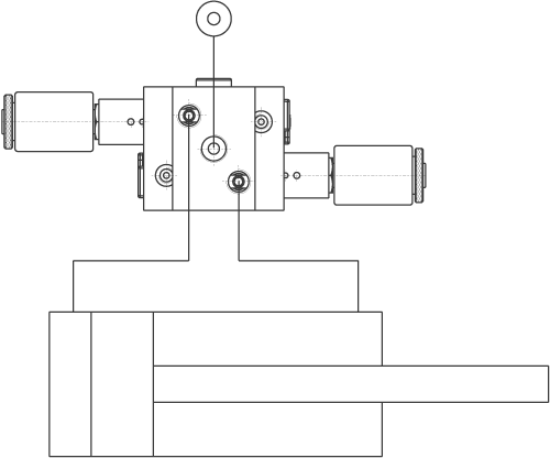
È un dispositivo che permette di posizionare un cilindro pneumatico con buona precisione e ripetibilità, consentendone l'arresto in ogni posizione purché il cilindro abbia buone caratteristiche di scorrevolezza e tenuta. Il comando elettrico non richiede interfacce elettroniche, ma solo due segnali on-off. È dotato di regolatori che consentono di moderare la velocità di movimento. Gli scarichi possono essere silenziati e regolati. Può lavorare con ottimi risultati con cilindri dall'alesaggio 20 fino all'alesaggio 63.
Si raccomanda di eliminare ogni perdita nel cilindro e nei collegamenti, poiché possono compromettere l'accuratezza del funzionamento, e di ridurre al minimo gli attriti e le perdite di carico nel circuito pneumatico.
Onde evitare movimenti a velocità non controllabile, all'avviamento si deve pressurizzare il cilindro prima di azionarlo. Il posizionatore non può svolgere funzioni di sicurezza né è adatto a ciò.
Dati tecnici
- Attacchi: filettati G1/4"
- Temperatura di esercizio: max +60°C
- Pressione di esercizio: 6 ... 8 bar
- Fluido: Aria filtrata 50µ con o senza lubrificazione
Materiali
- Corpo: alluminio 11S anodizzato
- Guarnizioni: NBR
- Molle: INOX
- Spole: alluminio nichelato
- Parti interne: ottone OT58
Ripetibilità in mm +/- con velocità di 100 mm/s a 6 bar
Tempi minimi di percorrenza a pieno carico (15% della potenza nominale a 6 bar)
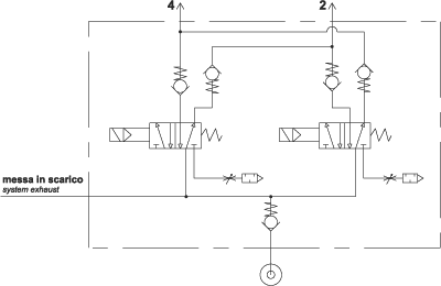
Schema applicativo
Il prodotto è venduto senza bobine, da acquistarsi separatamente.
pag. precedente