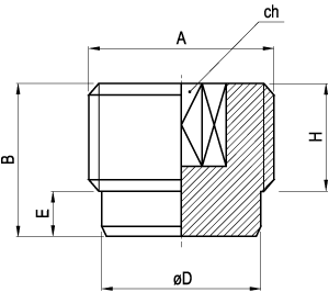
RC321

A
B
ЖD
E
H
ch
confez.
package
упак.
codice
code
код
G1/8"
8
8
2
6
5
100
36.644.0
G1/4"
11
11
3
8
6
100
36.645.0