logo Mini-regolatore di pressione con by-pass
16.070.4

16.071.4

pdf


foto simbolo


disegno






Codice di ordinazione
16.070.4
16.071.4
Attacchi
G1/4"
G1/4"
Temperatura di esercizio
max +50°C
max +50°C
Pressione di alimentazione
(p1)
0 ... 10 bar
0 ... 1 MPa
0 ... 10 bar
0 ... 1 MPa
Pressione di utilizzo
(p2)
0.5 ... 8 bar
0.05 ... 0.8 MPa
0.2 ... 1 bar
0.02 ... 0.1 MPa
Differenza minima di pressione
(p1 - p2)
0.2 bar
0.02 MPa
0.2 bar
0.02 MPa
Isteresi
(p1 = 10 bar / p2 = 0 bar)
1.6
1.6
Isteresi
(p1 = 10 bar / p2 = 8 bar)
0.6
0.6
Portata raccomandata
(p = 6.3 bar a 25 m/s)
550 Nl/min
550 Nl/min
Portata in direzione 2-->1
180 Nl/min
180 Nl/min




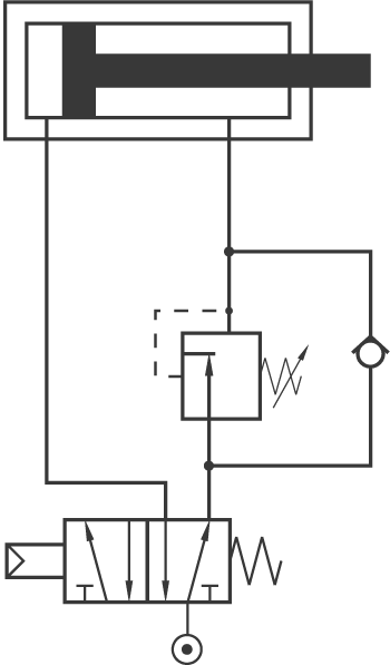
Schema applicativo


schema applicativo



Ideale per l'applicazione tra cilindro e valvola di comando


Materiali

Il manometro deve essere acquistato separatamente.
pag. precedente