logo

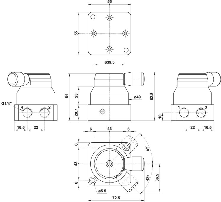
Valvola rotativa 10.070.4




rotativa uscite laterali



simbolo

pdf



dati tecnici


Portata nominale a 6 bar: 530 Nl/min

pag. precedente