logo







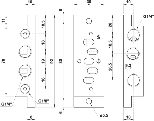
Sottobase singola


sottobase singola
sottobase singola
BS951



pdf

pag. precedente