Piedino in alluminio anodizzato


|
alesaggio bore |
sigla part number |
| 40 | 4010 |
| 50 | 5010 |
| ø | AE | AF |
| 40 | 24 | 38 |
| 50 | 30 | 48 |

|
alesaggio bore |
sigla part number |
| 40 | 20340 |
| 50 | 20350 |
| ø | AE | AF |
| 40 | 56 | 70 |
| 50 | 54 | 72 |

|
alesaggio bore |
sigla part number |
| 40 | 20338 |
| 50 | 20349 |
| ø | AE | AF |
| 40 | 37 | 51 |
| 50 | 39 | 57 |
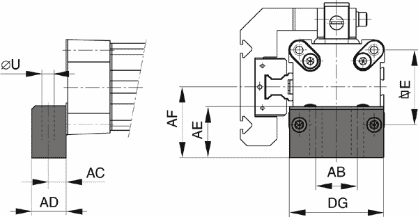
| ø | E | øU | AB | AC | AD | DG |
| 40 | 54 | 9 | 30 | 12.5 | 24 | 68 |
| 50 | 70 | 9 | 40 | 12.5 | 24 | 86 |