logo AVP 2-00


pdf


foto simbolo




AVP 2-00



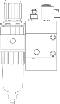
Esempio di montaggio modulare

AVP 2-00



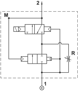
Modalità di funzionamento

Questo tipo di avviatore progressivo è modulare e può essere installato in batteria con i gruppi trattamento aria serie G1/4".
(a) Dopo aver attivato l'avviatore eccitando l'elettropilota, viene fornita al circuito una pressione progressivamente crescente fino alla metà della pressione di rete. Il raggiungimento di questa soglia si effettua nel tempo determinato con la vite di regolazione R.
(b) Raggiunta tale pressione, l'avviatore progressivo passa ad alimentare il circuito con la pressione fornita dalla rete. Questa commutazione avviene in modo automatico senza intervento dell'operatore.
Togliendo il comando elettrico di attivazione, l'avviatore progressivo consente lo scarico del circuito senza dover togliere l'alimentazione di rete al punto 1.
È possibile collegare un manometro al punto M.


Il prodotto è venduto senza bobina, da acquistarsi separatamente.



Codice di ordinazione
AVP 2-00
Attacchi
G1/4"
Temperatura di esercizio
max +60°C
Pressione di esercizio
2 ... 10 bar
0.2 ... 1 MPa
Massima portata nella fase (a)
300 Nl/min
Portata nella fase (b)
vedi grafico
Fluido
Aria filtrata 50µ con o senza lubrificazione


Materiali
Curve di portata



pag. precedente