logo 00.047.4
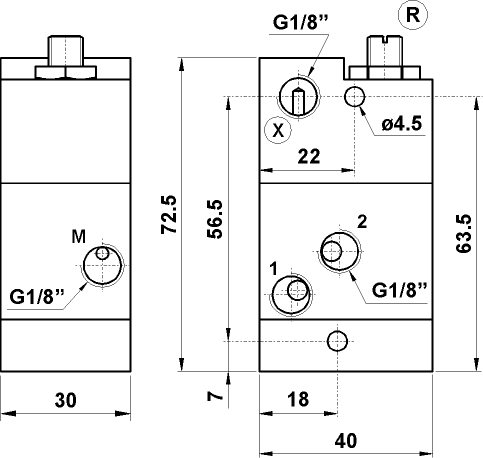
Pneumatically piloted
dual-pressure valve NC




2 pressure valve NC pneumatically piloted



foto                         symbol



Предыдущая страница