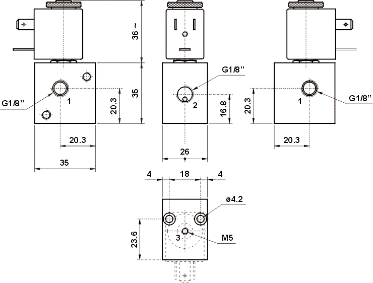
logo 00.097.3 (NC)
00.131.3 (NO)






00.097.3


photo


Предыдущая страница

 

AUTOCAD ver 14. DWG

JPG  

ACIS - SAT

STEP