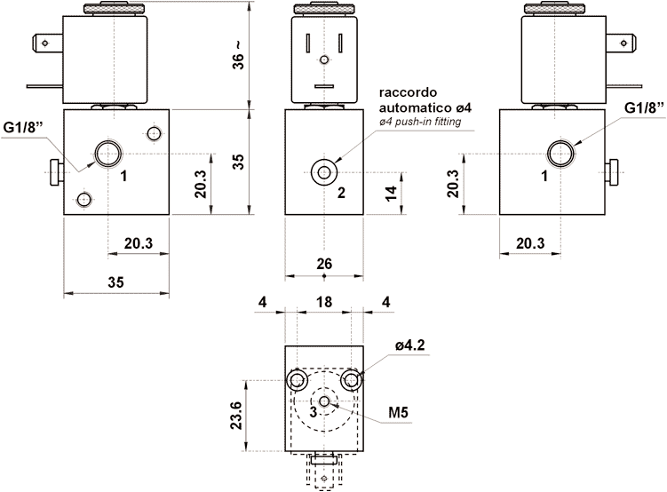
logo 00.101.3 (NC)
00.135.3 (NO)






00.101.3


foto


Предыдущая страница

 

AUTOCAD ver 14. DWG

JPG  

ACIS - SAT

STEP