logo 01.008.3
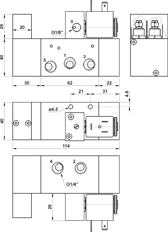
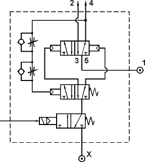
Oscillating valve
solenoid pilot with separate air supply




osc comando elettr. al. separata



foto                         simbolo


The product is sold without coil, which is bought separately.

Предыдущая страница