logo 10.035.4
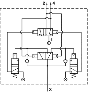
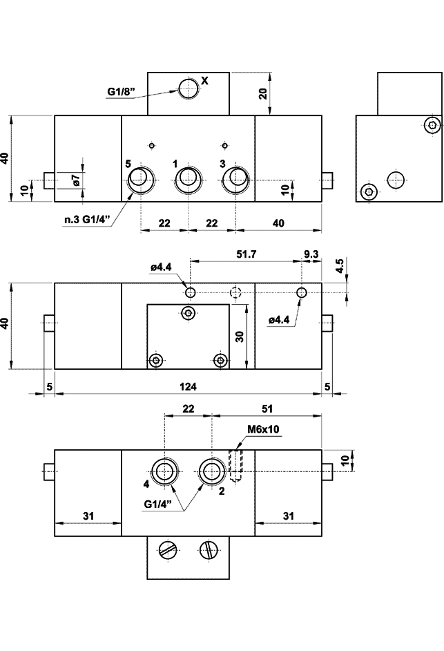
Pneumatically piloted flip-flop



flip-flop comando pneumatico



foto                         simbolo



previous page