logo 01.044.4
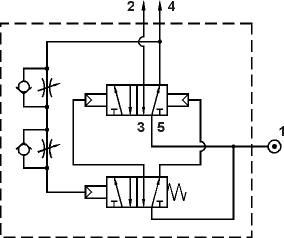
Oscillating valve - continuous cycle



osc ciclo continuo



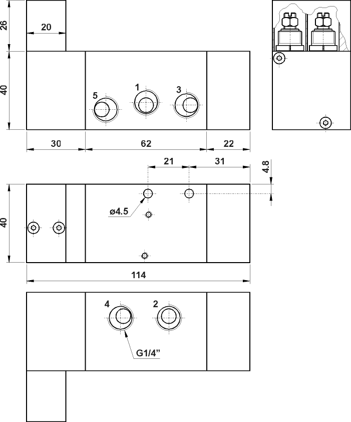
foto                         simbolo



Предыдущая страница