logo 01.046.4
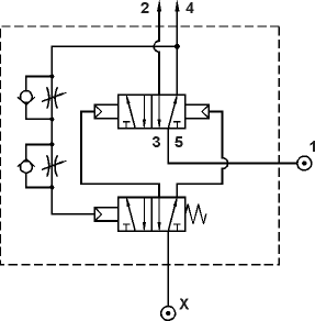
Pneumatically piloted
oscillating valve



osc comando pneumatico



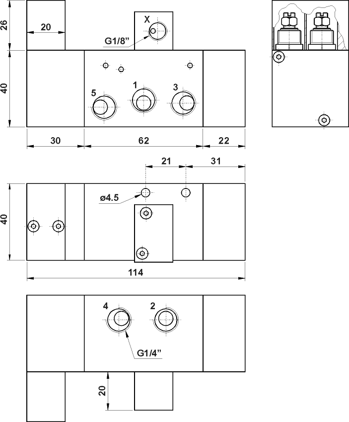
foto                         simbolo



Предыдущая страница