logo 321 2P




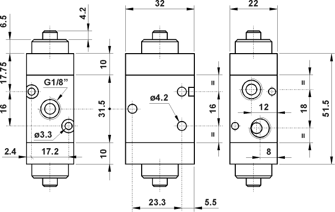
321 2P


321 2P simbolo

Технические данные
Предыдущая страница

AUTOCAD ver 14. DWG

JPG  

ACIS - SAT

STEP