logo 321 EE90 L




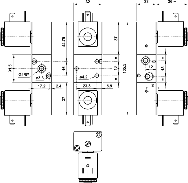
321 EE90 L

















































foto simbolo


      Технические данные
      Предыдущая страница

 

 

 

AUTOCAD ver 14. DWG

JPG  

ACIS - SAT

STEP