logo 321 ME90 L




321 ME90 L












































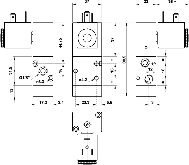
foto simbolo       Технические данные
      Предыдущая страница

 

 

 

 

 

AUTOCAD ver 14. DWG

JPG  

ACIS - SAT

STEP