logo 321 ML90




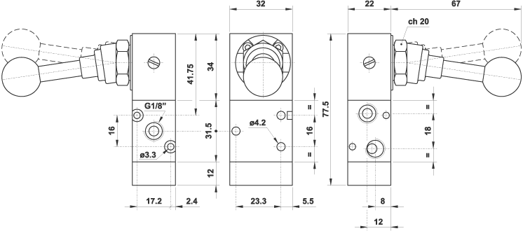
321 ML90



























foto
simbolo

        Технические данные
        Предыдущая страница

 

 

 

 

 

 

AUTOCAD ver 14. DWG

JPG  

ACIS - SAT

STEP