logo 321 MR




321 MR
































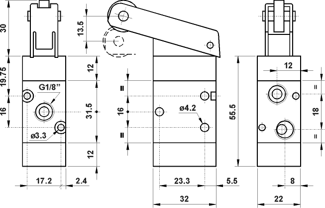
foto simbolo
      Actuating force: 9.81 N

      Технические данные
      Предыдущая страница

 

 

 

 

 

 

AUTOCAD ver 14. DWG

JPG  

ACIS - SAT

STEP