logo 322 MCS




322 MCS







































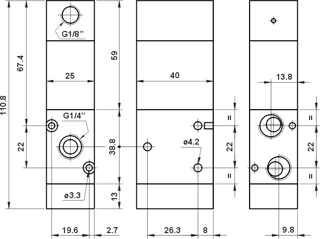
simbolo Технические данные
Предыдущая страница

 

AUTOCAD ver 14. DWG

JPG  

ACIS - SAT

STEP