logo 322 ME




322 ME










































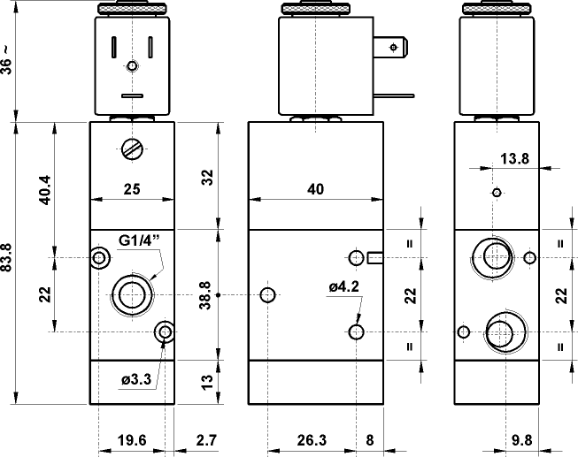
foto simbolo       Технические данные
      Предыдущая страница

 

 

 

 

AUTOCAD ver 14. DWG

JPG  

ACIS - SAT

STEP