logo 431 MGN






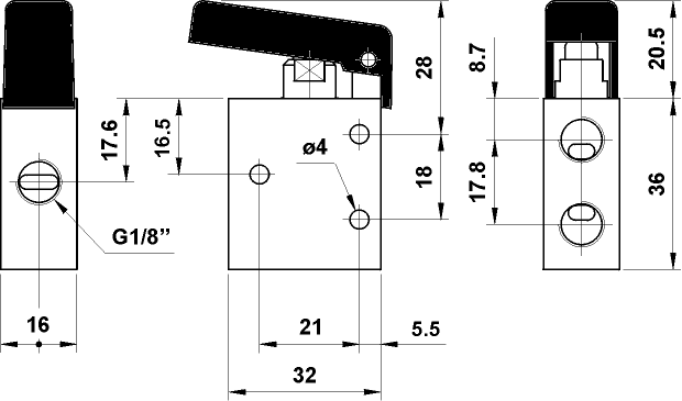
431 MGN


symbol

Actuating force: 7.84 N

Технические данные
Предыдущая страница

 

AUTOCAD ver 14. DWG

JPG  

ACIS - SAT

STEP