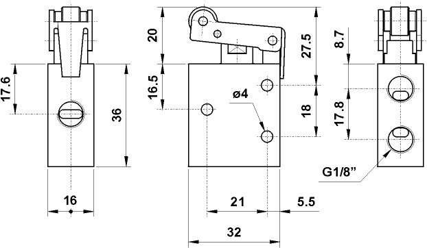
logo 431 MR




431 MR

431 MR


symbol

Actuating force: 9.81 N

Технические данные
Предыдущая страница

 

AUTOCAD ver 14. DWG

JPG  

ACIS - SAT

STEP