logo 451 MGG






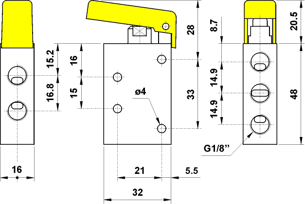
451 MGG

451 MGG


symbol

Actuating force: 13.73 N

Технические данные
Предыдущая страница

 

AUTOCAD ver 14. DWG

JPG  

ACIS - SAT

STEP