logo 451 MP



451 MP


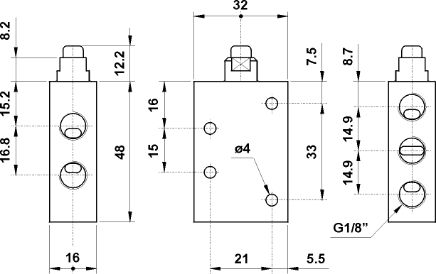
451 MP
symbol

Actuating force: 39.22 N

Технические данные
Предыдущая страница

 

AUTOCAD ver 14. DWG

JPG  

ACIS - SAT

STEP