logo 451 MR




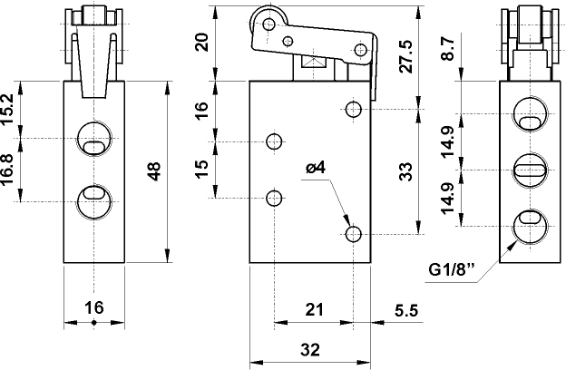
451 MR

451 MR


symbol

Actuating force: 21.57 N

Технические данные
Предыдущая страница

 

AUTOCAD ver 14. DWG

JPG  

ACIS - SAT

STEP