logo 451 MRL





451 MRL

451 MRL


symbol

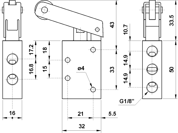
Actuating force: 14.21 N

Технические данные
Предыдущая страница

 

AUTOCAD ver 14. DWG

JPG  

ACIS - SAT

STEP