logo 521 2PS




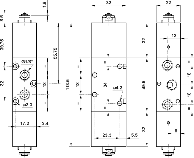
521 2PS




photo symbol

Технические данные
Предыдущая страница

AUTOCAD ver 14. DWG

JPG  

ACIS - SAT

STEP