logo 5213P LL90




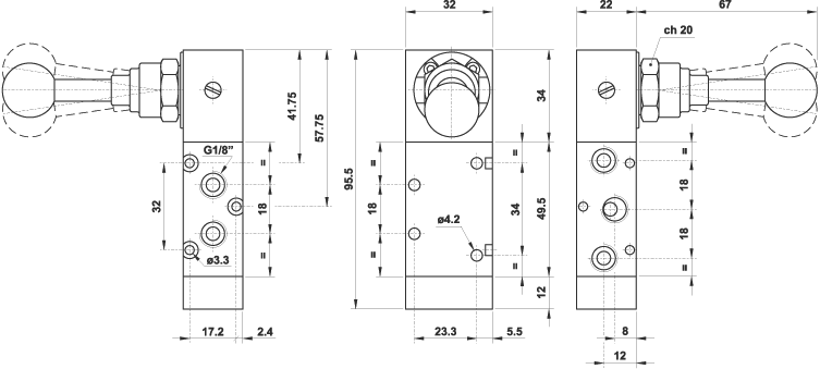
5213P LL90






























foto simbolo

      Технические данные
      Предыдущая страница

 

 

 

 

 

AUTOCAD ver 14. DWG

JPG  

ACIS - SAT

STEP