logo 521 ME90 L




521 ME90 L















































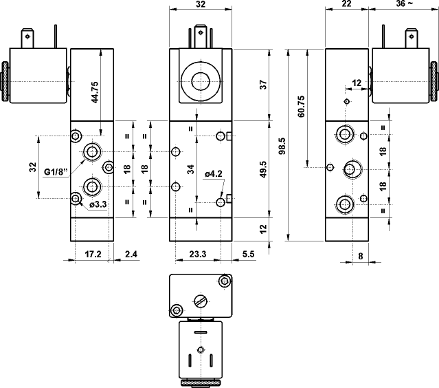
foto simbolo       Технические данные
      Предыдущая страница

 

 

 

 

AUTOCAD ver 14. DWG

JPG  

ACIS - SAT

STEP