logo 521 MPS




521 MPS






































P1: 2 bar F: 4.5 N
P1: 10 bar F: 14.2 N



foto simbolo

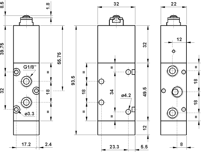
       Технические данные
       Предыдущая страница

 

 

 

 

 

 

 

AUTOCAD ver 14. DWG

JPG  

ACIS - SAT

STEP