logo 5223P ML90



5223P ML90































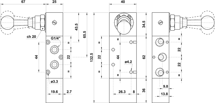
foto simbolo

      Технические данные
      Предыдущая страница

 

 

 

 

 

AUTOCAD ver 14. DWG

JPG  

ACIS - SAT

STEP