logo 522 LL90




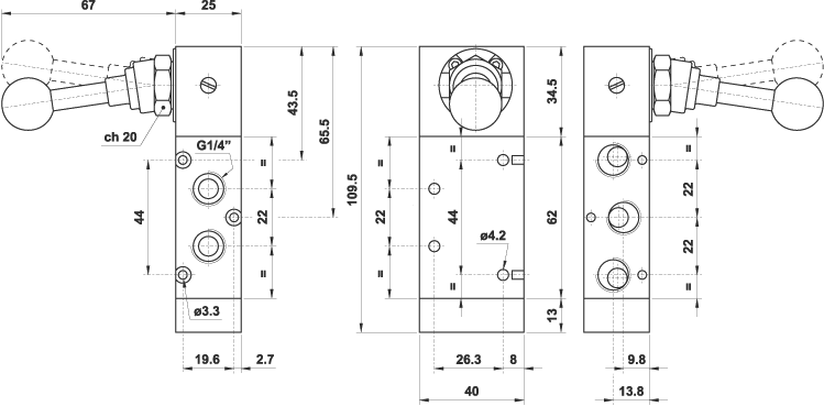
522 LL90































foto simbolo

      Технические данные
      Предыдущая страница

 

 

 

 

 

AUTOCAD ver 14. DWG

JPG  

ACIS - SAT

STEP