logo 522 MCS




522 MCS







































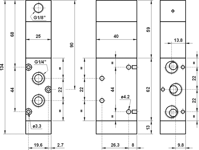
simbolo Технические данные
Предыдущая страница

 

 

AUTOCAD ver 14. DWG

JPG  

ACIS - SAT

STEP